光伏行业 – 欧陆注册官网技术(丽江)有限公司(中文) 高端智能传感器出产商 Wed, 17 Dec 2025 01:54:49 +0000 zh-Hans hourly 1 https://wordpress.org/?v=6.9 /wp-content/uploads/2025/01/站点logo-100x100.png 光伏行业 – 欧陆注册官网技术(丽江)有限公司(中文) 32 32 250610050 光学板概括及瑕疵检测 /application/72/ Tue, 12 Aug 2025 08:27:52 +0000 /?post_type=application&p=5940 光学板(如光学玻璃、亚克力板、导光板等 ,宽泛利用于显示设备、光学仪器、激光系统等领域)的概括及瑕疵检测是保险其光学机能、结构适配性和使用靠得住性的关键环节 ,重要主张如下:

一、确保概括精度 ,保险结构与职能适配

光学板的概括(如尺寸、平坦度、弯曲度、边缘角度等)直接影响其在设备中的装配精度和职能实现:

结构适配性:在精密光学系统(如镜头模组、投影仪光路)中 ,光学板的概括尺寸需与其他部件严格匹配 ,若概括误差过大(如厚度不均、边缘不平坦) ,会导致装配间隙超标、光路偏移 ,甚至无法正常装置。

光学机能不变性:部门光学板(如导光板、棱镜)的概括设计直接决定光线的折射、反射蹊径 ,概括精度不及会导致光路错乱(如显示设备亮度不均、光学仪器成像吞吐) ,检测概括可确保其切合光学设计参数。

机械强度保险:概括缺点(如边缘崩裂、厚度突变)可能导致应力集中 ,降低光学板的抗冲击性 ,在后续加工或使用中(如受振动、温度变动)易断裂 ,影响设备寿命。

二、满足高端领域的严苛要求

在高端利用场景(如半导体光刻、航天光学系统、医疗精密仪器)中 ,光学板的概括精度和瑕疵容忍度极低(甚至要求 “纳米级” 误差、零可见瑕疵) ,检测的主张更聚焦于:

确保光学系统的极限机能(如光刻机的光学板概括误差需节造在微米级 ,不然直接影响芯片造程精度) ;保险设备的持久不变性(如卫星光学镜头的光学板 ,微幼瑕疵可能在太空环境中因辐射、温差逐步扩大 ,导致工作失败)。

综上 ,光学板的概括及瑕疵检测性质是通过对 “结构精度” 和 “光学纯净度” 的双沉把控 ,确保其在光学系统中既能精准适配、高效阐扬职能 ,又能在持久使用中维持不变与安全 ,尤其对高端领域的设备机能和靠得住性起到决定性作用。

01.检测需要

凭据客户提供的测试需要 ,利用线光谱扫描光学板表表概括 ,对数据概括进行分析得出凹槽深度、宽度数据 ,以及表表的缺点检测。

02.选型及道理

首页-欧陆注册-eHR治理系统

03.检测过程图

首页-欧陆注册-eHR治理系统
首页-欧陆注册-eHR治理系统
首页-欧陆注册-eHR治理系统

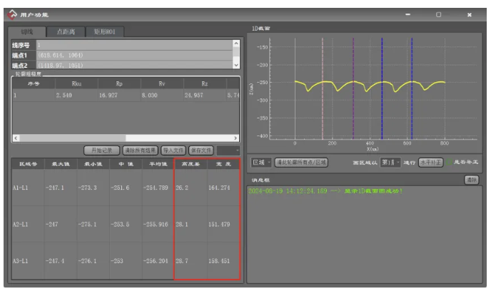
截取推算三个凹槽的深度宽度数据别离为:凹槽1深度26.2um ,宽度164.4um、凹槽2深度28.1um ,宽度151.4um、凹槽3深度28.7um ,宽度158.4um。

首页-欧陆注册-eHR治理系统

04.设备结论

用LCX1000扫描光学板上表表图像能够清澈得到凹槽的概括 ,凹槽的深度、宽度可用我们客户端手动截取单一推算(因手动划取区域宽度信息界说没那么尺度) ,凹槽的弧度可用其他视觉软件进行处置推算。同时光学板上的瑕疵清澈可见 ,所以亦可检测其瑕疵缺点。

]]>
5940